8 (925) 663-83-63Call-центр
пн-вс: 10:00-19:00
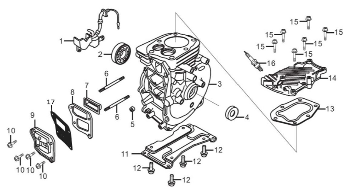
| N | Артикул | Название | Срок отгрузки | Цена | Купить |
| 1 | 0200.001800 | Датчик уровня масла. 281850155-T010. МБ 200Д40 | 814 р. | ||
| 2 | 0200.001900 | Подшипник шариковый 6203 | – | ||
| 2 | 5001.000900 | Подшипник 6203/Р53, 17х40х12 | 259 р. | ||
| 3 | 0200.002000 | Картер. 110810020-T010. МБ 200Д40 | 3.598 р. | ||
| 4 | 0200.002100 | Сальник 17х30х6. Коричневый | 276 р. | ||
| 5 | 0200.002200 | Сальник 5х10х4 мм | – | ||
| 6 | 0200.002300 | Шпилька | – | ||
| 7 | 0200.002400 | Проставка крышки сапуна | – | ||
| 8 | 0200.002500 | Прокладка крышки сапуна. 10610001. МБ 200.210Д40 | 66 р. | ||
| 9 | 0200.002600 | Крышка сапуна | – | ||
| 10 | 0200.002700 | Болт M5х10 мм | – | ||
| 11 | 0200.002800 | Платформа | – | ||
| 12 | 0200.002900 | Болт M8х16 мм | – | ||
| 13 | 0200.003000 | Прокладка головки цилиндра | – | ||
| 14 | 0200.003100 | Крышка цилиндра | – | ||
| 15 | 0200.003200 | Болт M6х35 мм | – | ||
| 16 | 0200.003300 | Свеча зажигания E6TC. 10040002. МБ 200.210Д40 | 391 р. | ||
| 17 | 0200.002510 | Прокладка крышки сапуна. 10610002. МБ 200.210Д40 | 66 р. |
| Найдено товаров: 18 |
|
8 (925) 663-83-63 Call-центр
пн-вс: 10:00-19:00
| Введите номер заказа |
| Введите номер своего заказа, что бы узнать его текущий статус. Что бы получить доступ к расширенным функциям, пройдите не сложную регистрацию. Зарегистрироваться |